Щиты промышленных и коммерческих детекторов газа серии SD2120
description1
description2
Описание продукции
| Газ обнаружения | метан/пропан/другие газы |
|---|---|
| Принцип обнаружения | каталитический тип сгорания/инфракрасный тип/электрохимический тип/полупроводник/ФИД |
| Метод отбора проб | диффузия |
| Диапазон измерения | (3~100)% НПВ или другие. |
| Значение настройки сигнализации | нижний предел 25% НПВ, верхний предел 50% НПВ (горючий газ) |
| Ошибка сигнализации | ±3% полной шкалы. |
| Время реакции | горючий газ ≤30 с (T90)/ядовитый газ ≤60 с (T90) |
| Потребляемая мощность | ≤3 Вт (24 DC24B) |
| Класс защиты | IP66 |
| Класс взрывобезопасности | Ex d ⅡC T6 Gb |
| Способ связи | шина S-BUS и система разделенных линий 4–20 мА (Hart). |
| Выход внешнего управления | 2 пассивных переключающих сигнала, мощность контактов 1 А/220 В переменного тока или 24 В постоянного тока/А. |
| Срок службы датчика | три года (типичное каталитическое значение) |
| Температура хранения | -25℃~+55℃ |
| Рабочая среда | температура -40℃~+70℃, относительная влажность ≤93%, давление 86кПа~106кПа. |
| Взрывозащищенный интерфейс кабельного ввода | внешний диаметр провода 9-10 мм. |
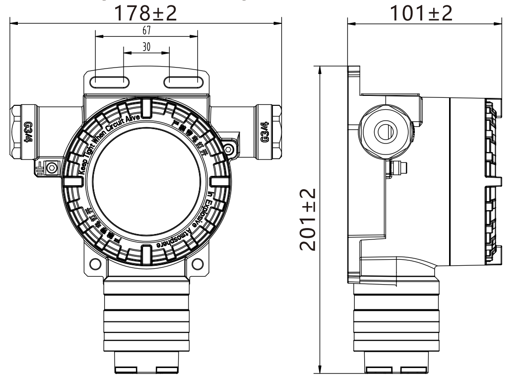
| Размер резьбового интерфейса | G3/4 |
| Материал корпуса | алюминиевый сплав/нержавеющая сталь. |
| Вес продукта | около 2050 г. |
| Размер продукта | 201 мм × 178 мм × 101 мм. |
Описание интерфейса

|
Отображение состояния |
Описание статуса |
|
— |
Самотестирование оборудования |
|
-E0- |
Отказ оборудования |
|
-E1- |
Отказ датчика |
|
-E2- |
Неисправность датчика |
|
-E3- |
Mодуль датчика не отвечает |
|
Состояние |
Индикатор нормальной работы (зеленый) |
Световой индикатор сигнализации (красный) |
Световой индикатор сигнализации (красный) |
Индикатор неисправности (желтый) |
|
Hормальное состояние |
Мигает (1 Гц) |
выходить |
выходить |
выходить |
|
Состояние сигнализации нижнего предела |
выходить |
Мигает (1 Гц) |
выходить |
выходить |
|
Состояние сигнализации верхнего предела |
выходить |
Мигает (1 Гц) |
Всегда яркий |
выходить |
|
Cтатус неисправности |
выходить |
выходить |
выходить |
Всегда яркий |
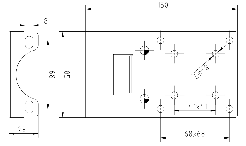
Установка и подключение продукта


Распаковка и проверка
01
Полный комплект принадлежностей машины
руководство по эксплуатации (1 шт.), отчет о заводских проверках (1 шт.), сертификат продукта (1 шт.), монтажная подвесная пластина (1 шт.), установочные аксессуары (1 шт.).
02
Проверка при распаковке
на внешнем виде изделия нет царапин, этикетки целые и четкие, аксессуары в комплекте.
CN
EN




